static outside sealing-Type HC
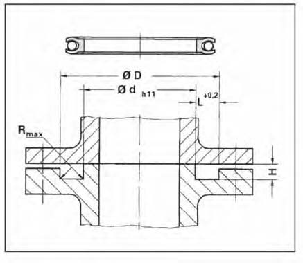
Face seal with increased spring force. static outside sealing- Type HC Type HC: Face seal or flange seal for higher inside pressure Application Range Pressure: ≦ 500 bar Temperature: -150 ~ +260℃...
We are here to solve your problems professionally
Contact Now
- Tel:0086-21-58355541
- Fax:0086-21-58353141
- Email: trisun24@trisunltd.com(sales)

Face seal with increased spring force.
static outside sealing-Type HC
Type HC:
Face seal or flange seal for
higher inside pressure
Application Range
Pressure: ≦ 500 bar
Temperature: -150 ~ +260℃
*Other materials are available for special operating conditions.
Our application engineers will be glad to advise you.


Example of an order
Type HC
Groove I.D. ¢d=100 mm
Groove O.D. ¢D=119mm
Groove depth L=6.1mm


You can fill out the form below to send your contact information and product demand submitted to us. We will solve as soon as possible! Thank you! To be able to contact you promptly and make sure you complete the full contact and demand information
Previews:static inside sealing-Type HB
Next:None





















