TS FB Auto Cooling Pump Seal
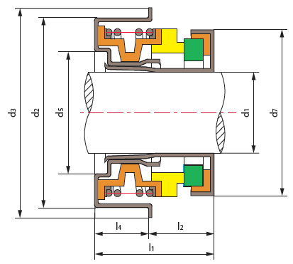
Operating Limits: Pressure: 0.3MPa Rotary Speed: 9000r/min Temperature: -30℃~+150℃ Medium: Clean water, seawater, gas engine antifreeze Rotary Ring(Ceramic/SiC) Stationary Ring(Plastic Carbon/...
We are here to solve your problems professionally
Contact Now
- Tel:0086-21-58355541
- Fax:0086-21-58353141
- Email: trisun24@trisunltd.com(sales)
Operating Limits:
Pressure: ≤0.3MPa
Rotary Speed: ≤9000r/min
Temperature: -30℃~+150℃
Medium: Clean water, seawater,
gas engine antifreeze
Rotary Ring(Ceramic/SiC)
Stationary Ring(Plastic Carbon/Carbon/SiC)
Secondary Seal (nbr/Epdm/Hnbr/VITON)
Spring & Other Parts (Sus304/Sus316)

| Model | d1 (mm) | d2 | d3 | d5 | d7 | l1 | l2 | l4 |
| TSFB-12S | 12 | 28.57 | 32 | 18.5 | 25/26 | 18.2 | 10.2 | 8 |
| TSFB-12M | 12 | 30 | 35 | 18.5 | 25/26 | 18.2 | 10.2 | 8 |
| TSFB-12L | 12 | 33.3 | 38 | 18.5 | 25/26 | 18.2 | 11.5 | 6.7 |
| TSFB-13 | 13 | 30 | 35 | 18.5 | 25 | 18 | 10 | 8 |
| TSFB-15 | 15 | 36.5 | 41.5 | 22.5 | 30.5 | 20.5 | 12 | 8.5 |
| TSFB-16 | 16 | 36.5 | 41.5 | 22.5 | 30.5 | 20.5 | 12 | 8.5 |
| TSFB-16B | 16 | 36.5 | 41.5 | 22.5 | 28 | 20 | 12 | 8.5 |
| TSFB-16T | 16 | 36.5 | 41.5 | 19.3 | 31.5 | 20.5 | 11.5 | 9 |
| TSFB-16L | 16 | 38.1 | 43.5 | 22.5 | 30.5 | 20.5 | 11.7 | 8.8 |
| TSFB-16LD | 16 | 38.1 | 43.5 | 22.5 | 28.5 | 20.5 | 11.7 | 8.8 |
| TSFB-20 | 20 | 38/40 | 43.8 | 26.5 | 37 | 22 | 12.5 | 9.5 |
| TSFB-20T | 20 | 40 | 43.8 | 28 | 37 | 22 | 12.5 | 9.5 |
You can fill out the form below to send your contact information and product demand submitted to us. We will solve as soon as possible! Thank you! To be able to contact you promptly and make sure you complete the full contact and demand information






















